• Opel araçlarınızla ilgili olarak daha fazla kişiye ulaşabilmek ve diğer üyeler ile sohbet etmek isterseniz Whatsapp gruplarımıza davetlisiniz. Aşağıda ki bağlantı ile aramıza katılabilirsiniz.
    https://chat.whatsapp.com/GTuhx9LJFT00mQvXnnqfLp

arkadaşlar anteni sökücem yardım edermisiniz

  • Konuyu Başlatan Konuyu Başlatan warsem
  • Başlangıç tarihi Başlangıç tarihi
bence fm transmıtter al 4 gb lık yükle istediğin ne varsa (yaklaşık 600 gibi) üstelik baya fiyatları düştü.
 
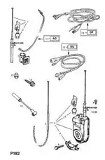
Bizim antenle ilgili bir resim yükledim. ama hangisini sökmemiz gerektiğini ve nasıl takmamız gerektiğini sırasıyla bilen varmı? dışardaki anten çubuğunu illa sökmemiz gerekirmi?

Savaş abi sadece bu beyaz plastiğimi bulup değiştirecez?
 

Ekli dosyalar

  • antencp7.webp
    antencp7.webp
    7 KB · Görüntüleme: 45
P182 yazısının üzerindeki parçanın değişmesi yeterli, çünkü genelde o parça ya kopuyor ya da dişleri bozuluyor. İstersen önce sökerek kontrol et. Nadiren de olsa bazen zorlanmadan dolayı bu parça yerinden de çıkabiliyormuş.
 
Bizim antenle ilgili bir resim yükledim. ama hangisini sökmemiz gerektiğini ve nasıl takmamız gerektiğini sırasıyla bilen varmı? dışardaki anten çubuğunu illa sökmemiz gerekirmi?

Savaş abi sadece bu beyaz plastiğimi bulup değiştirecez?

Tamir takımının içerisinde bulunan her parçaya ihtiyaç olmayabilir.
 
Tamir takımının içerisinde bulunan her parçaya ihtiyaç olmayabilir.
Abi tamir takımından kastın nedir? komple yedek anten parçalarımı?yoksa sökmek için gerekli alet edevatmı? birde anten çubuğunu yerinden sökeyimmi?
 
Abi tamir takımından kastın nedir? komple yedek anten parçalarımı?yoksa sökmek için gerekli alet edevatmı? birde anten çubuğunu yerinden sökeyimmi?
Tamir takımı denilen şey, otomatik antenlerin tamiri için kullanılan muhtemelen arızalanabilecek malzemelerin tamamını kapsıyor ve hazır paket halinde satılıyor. Paketten çıkacak her malzemeye ihtiyaç olmayabiliyor. Otomatik antenin tamamını yerinden sökmeden tamir etmek imkansız.
 
Tamir takımı denilen şey, otomatik antenlerin tamiri için kullanılan muhtemelen arızalanabilecek malzemelerin tamamını kapsıyor ve hazır paket halinde satılıyor. Paketten çıkacak her malzemeye ihtiyaç olmayabiliyor. Otomatik antenin tamamını yerinden sökmeden tamir etmek imkansız.
Abi peki tamir takımı diye satılıyormu bu parçalar piyasada? birde hepten bozmayalım.parçayı alıp ustaya yaptırsak mı?
 
Abi peki tamir takımı diye satılıyormu bu parçalar piyasada? birde hepten bozmayalım.parçayı alıp ustaya yaptırsak mı?
Otomatik antenin tamir takımı opel parçacılarında bulunuyor, tavsiyem önce anteni bu işten anlayan elektrikçiye söktür ondan sonra parça temini yap. Belki dişli yerinden çıkmışta olabilir, o zaman parçaya ihtiyaç duymazsın.
 
Dün benim otomatik anteni söktük, sökmesi oldukca zor oldu neden derseniz, bagajın solundaki plastik aksamın tamamını çıkarmak zorunda kaldık.sonrada anteni çıkarmak için stop lambasını çıkardık.

Neyse gittik bir oto elektrikciye adam açtı baktı; mekanizmayı çeviren plastik dişli kayışta kopma yok ancak onun bağlantığı yuvarlak plastiğin üzerrinde bir yuva var, o yuvayı zamanla yediği için gevşeme yapıyo ve görevini yerine getiremiyor.

yani kayışın dönüp sarmasını sağlayan halkaya sabit mpnteli olsaydı ben onu yapıştırırdım bir şekilde ama sabit değil hareketliymiş.onun dışında herşeyi sağlam. sadece bu parçaları bulup değiştirme imkanımız varmı acaba? yenisine 150 civarında fiyat veriyorlar ama üstelik çin malı olduğunu ve 5-6 ay ancak dayandığını söylüyorlar.

Savaş abi şu tamir takımını nerden bulabiliriz?
 
Ben Ankara'dayken Opelpar'dan almıştım. Adresi: Yeni Sanayi Tunç Cad.No:74/D Tel: 324 18 82 ve 310 83 48 Şubesi: Başkent sanayi sitesi İnönü Mah. 55. sokak No:40 Tel: 278 81 20 ve 278 81 21
 
Geri
Üst